您好,欢迎进入易觅尔-日本KITZ北泽阀门网站!

全国咨询热线

4008-550-700

T4T青铜三通球阀

产品名称:T4T KITZ青铜三通球阀(T型球阀)产品型号:T4T使用压力:400W·O·G 适用介质:W.O.G-压力变动小的水·油·气产品备注:日本KITZ阀门销售单位:KITZ阀门压力等级:400标准:KITZ 日标RC螺纹T4T三通球阀适用范围: 常温水·油·气...2.0MPa150℃以下的水·油·气...0.62 MPaT4T 三通球阀(T型球)材质阀体:CAC阀座:P...
联系电话:4008-550-700

产品详情

产品名称:T4T KITZ青铜三通球阀(T型球阀)

产品型号:T4T
使用压力:400W·O·G

适用介质:W.O.G-压力变动小的水·油·气
产品备注:日本KITZ阀门
销售单位:KITZ阀门
压力等级:400
标准:KITZ 日标RC螺纹

T4T三通球阀适用范围:
常温水·油·气...2.0MPa

150以下的水·油·气...0.62 MPa

T4T 三通球阀(T型球)材质

阀体:CAC

阀座:PTFE

球:镀铬C3771BE+
KITZ
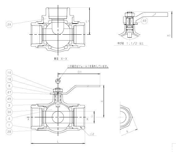
青铜三通球阀图片:

日本北泽KITZ-T4T三通球阀规格:

 

T4T三通球阀规格 d H D1 L L1 S H1 单位(mm)
1/2 10 52 130 70 35 26  
3/4 15 56 130 85 42.5 32  
1 20 63 150 100 50 39  
11/4 25 68 150 115 27.5 48  
11/2 32 94.5 230 130 65 54 97  
2 40 102 230 150 75 67 104  

查看更多 >>

产品推荐

4008-550-700