您好,欢迎进入易觅尔-日本KITZ北泽阀门网站!

全国咨询热线

4008-550-700

16DJUE球墨铸铁蝶阀 日本北泽蝶阀 对夹蝶阀 手动蝶阀

产品名称:16DJUE  KITZ不锈钢板球墨铸铁蝶阀产品型号:16DJUE使用温度:0-100℃使用压力:16K适用介质:水·油·气W.O.G销售单位:KITZ北泽阀门名称:北泽KITZ球墨铸铁蝶阀标准:KITZ-对夹JIS16K16DJUE蝶阀材质:阀体: FCD阀杆: SUS403/SUS410阀板: SCS13A阀座: EPDM手柄: ADC12北泽KITZ阀门-16DJU...
联系电话:4008-550-700

产品详情

产品名称:16DJUE  KITZ不锈钢板球墨铸铁蝶阀

产品型号:16DJUE
使用温度:0-100
使用压力:16K

适用介质:水·油·气W.O.G
销售单位:KITZ北泽阀门

名称:北泽KITZ球墨铸铁蝶阀
标准:KITZ-对夹JIS16K

16DJUE蝶阀材质:

阀体: FCD
阀杆: SUS403/SUS410

阀板: SCS13A
阀座: EPDM

手柄: ADC12

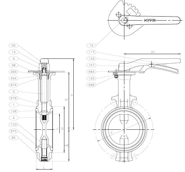
北泽KITZ阀门-16DJUE手柄蝶阀图片:

16DJUE球墨铸铁蝶阀 日本北泽蝶阀 KITZ阀门

日本KITZ蝶阀-16DJUE规格:

16DJUE球墨铸铁蝶阀 日本北泽蝶阀外形图

 

16DJUE球墨铸铁蝶阀外型尺寸及重量:

 

 

 

查看更多 >>

产品推荐

4008-550-700