您好,欢迎进入易觅尔-日本KITZ北泽阀门网站!

全国咨询热线

4008-550-700

10DJU球墨铸铁蝶阀

产品名称:10DJU KITZ球墨铸铁蝶阀(不锈钢阀板)产品型号:10DJU使用温度:0-100℃使用压力:5K/10K适用介质:水·油·气W.O.G销售单位:KITZ北泽阀门名称:北泽KITZ不锈钢板球墨铸铁蝶阀标准:KITZ-对夹JIS5K/10K10DJU蝶阀材质:阀体:FCD-S阀杆:SUS403/SUS410阀板:SCS13A阀座:NBR手柄:ADC12北泽KITZ阀门-...
联系电话:4008-550-700

产品详情

产品名称:10DJU KITZ球墨铸铁蝶阀(不锈钢阀板)

产品型号:10DJU
使用温度:0-100
使用压力:5K/10K

适用介质:水·油·气W.O.G
销售单位:KITZ北泽阀门

名称:北泽KITZ不锈钢板球墨铸铁蝶阀
标准:KITZ-对夹JIS5K/10K

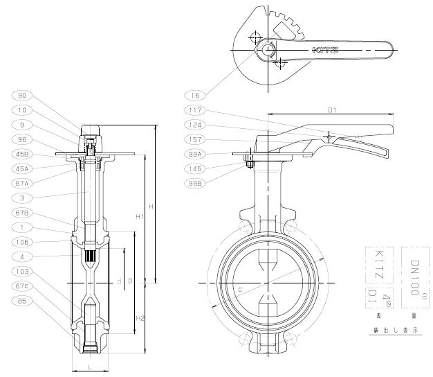
10DJU蝶阀材质:

阀体:FCD-S

阀杆:SUS403/SUS410

阀板:SCS13A
阀座:NBR

手柄:ADC12

北泽KITZ阀门-10DJU手柄蝶阀图片:

10DJU球墨铸铁蝶阀

日本KITZ蝶阀-10DJU结构图:

10DJU手柄蝶阀结构图

 

10DJU球墨铸铁蝶阀外型尺寸及重量:

 10DJU球墨铸铁蝶阀外形尺寸

 

查看更多 >>

产品推荐

4008-550-700