您好,欢迎进入易觅尔-日本KITZ北泽阀门网站!

全国咨询热线

4008-550-700

10FCTB2L铸铁三通球阀(L型)

产品名称:10FCTB2L  KITZ三通球阀(L型球)产品型号:10FCTB2L使用温度:180℃适用介质:W.O.G销售单位:KITZ阀门连接方式:法兰…JIS10K10FCTB2L三通球阀适用范围120℃均衡水流                 1.37MPa120℃水、油、空气             0.98MPa饱和蒸汽                      0.6...
联系电话:4008-550-700

产品详情

产品名称:10FCTB2L  KITZ三通球阀(L型球)

产品型号:10FCTB2L
使用温度:180

适用介质:W.O.G
销售单位:KITZ阀门

连接方式:法兰…JIS10K

10FCTB2L三通球阀适用范围
120
均衡水流                 1.37MPa

120水、油、空气             0.98MPa

饱和蒸汽                      0.69MPa

全通径三通球阀10FCTB2L材质

阀体: FC200
阀杆:
SUS403
球心: SCS13A

阀座: PTFE

垫片: 聚四氟乙烯

KITZ三通球阀-10FCTB2L图片:

10FCTB2L三通球阀 日本北泽铸铁三通球阀

 

北泽球阀-10FCTB2L三通球阀规格:

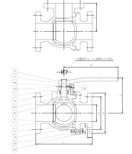
10FCTB2L三通球阀 日本北泽铸铁三通球阀结构图

 

KITZ三通球阀10FCTB2L外形尺寸:

查看更多 >>

产品推荐

4008-550-700