NONO 日本KITZ 125FCHI铸铁法兰闸阀_kitz铸铁闸阀_易觅尔の进口日本北泽KITZ开滋阀门
您好,欢迎进入易觅尔-日本KITZ北泽阀门网站!

全国咨询热线

4008-550-700

日本KITZ 125FCHI铸铁法兰闸阀

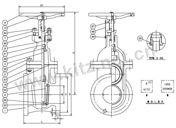
日本KITZ 北泽 125FCHI铸铁法兰闸阀使用温度:220℃使用压力:16kg适用介质:水·油·气 (W.O.G)产品备注:日本KITZ阀门销售单位:KITZ阀门压力等级:125 KITZ代号:125FCHI 适用范围:1.6Mpa(16kgf/cm2) 均衡水流120℃1.6Mpa (16kgf/cm2) 水·油·气120℃0.2 MPa(2kgf/cm2) 饱和蒸汽...
联系电话:4008-550-700

产品详情

日本KITZ 北泽 125FCHI铸铁法兰闸阀

使用温度:220
使用压力:16kg
适用介质:水·油·气 W.O.G

产品备注:日本KITZ阀门
销售单位:KITZ阀门
压力等级:125 
KITZ
代号:
125FCHI 

适用范围:

1.6Mpa(16kgf/cm2) 均衡水流120℃

1.6Mpa (16kgf/cm2) 水·油·气120℃

0.2 MPa(2kgf/cm2) 饱和蒸汽

查看更多 >>

产品推荐

4008-550-700