您好,欢迎进入易觅尔-日本KITZ北泽阀门网站!

全国咨询热线

4008-550-700

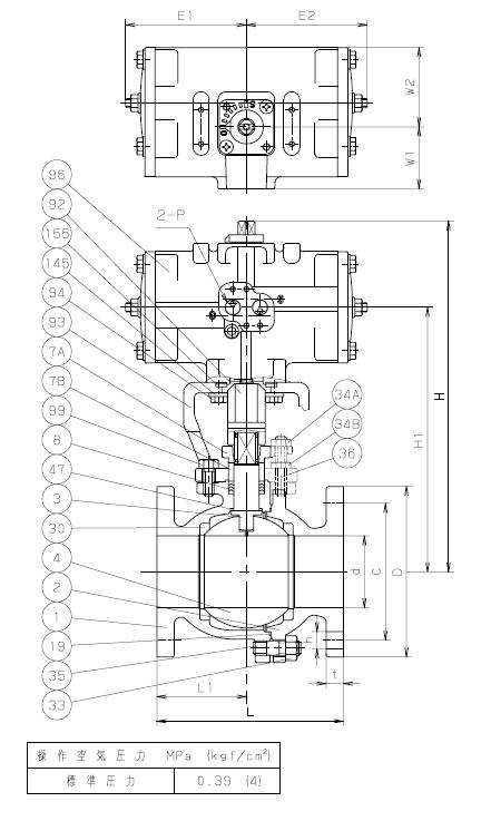
FA/125FCTB气动铸铁球阀 北泽气动双作用球阀阀

 FA-125FCTB气动球阀型号:FA-125FCTB执行器:FA(双作用)使用压力:CLASS 125适用介质:水·油·气W.O.G产品备注:日本KITZ北泽阀门连接方式:法兰 PN16FA-125FCTB气动球阀材质:阀体:铸铁阀盖:铸铁阀杆:SUS403球心:SCS13A OR SUS304阀座:PTFE执行器FA材质:铝合金标准操作压力:0.39MPa 4kgf/cm2(...
联系电话:4008-550-700

产品详情

 

FA-125FCTB气动球阀

型号:FA-125FCTB

执行器:FA(双作用)

使用压力:CLASS 125

适用介质:水·油·气W.O.G
产品备注:日本KITZ北泽阀门
连接方式:法兰 PN16

FA-125FCTB气动球阀材质:

阀体:铸铁

阀盖:铸铁

阀杆:SUS403

球心:SCS13A OR SUS304

阀座:PTFE

执行器FA材质:铝合金

标准操作压力:0.39MPa 4kgf/cm2(60psi),标准操作温度: -20-+60, (备选-40-+120)

FA-125FCTB气动球阀图片:

KITZ气动球阀-FA-125FCTB气动球阀(双作用)结构图:

FA-125FCTB气动球阀外形尺寸及重量:

规格 L D 单位:mm
50 178 152  
65 190 178  
80 203 190  
100 229 229  
150 394 279  
200 457 343  

查看更多 >>

产品推荐

4008-550-700