您好,欢迎进入易觅尔-日本KITZ北泽阀门网站!

全国咨询热线

4008-550-700

B-10UTB4LAM气动三通球阀(L型球)

B-10UTB4LAM气动三通不锈钢球阀(双作用)型号:B-10UTB4LAM使用压力:JIS10K适用介质:水·油·气W.O.G产品备注:日本KITZ北泽阀门连接方式:法兰 JIS10KB-10UTB4LAM气动三通球阀(L型球)材质:阀体:SCS14A阀杆:SCS14A球心:SCS14A阀座:PTFE执行器:B(双作用)铸铁材质B-10UTB4LAM气动三通不锈钢球阀图片:KI...
联系电话:4008-550-700

产品详情

B-10UTB4LAM气动三通不锈钢球阀(双作用)

型号:B-10UTB4LAM

使用压力:JIS10K

适用介质:水·油·气W.O.G
产品备注:日本KITZ北泽阀门
连接方式:法兰 JIS10K

B-10UTB4LAM气动三通球阀(L型球)材质:

阀体:SCS14A

阀杆:SCS14A

球心:SCS14A

阀座:PTFE

执行器:B(双作用)铸铁材质

B-10UTB4LAM气动三通不锈钢球阀图片:

B-10UTB4LAM气动三通球阀

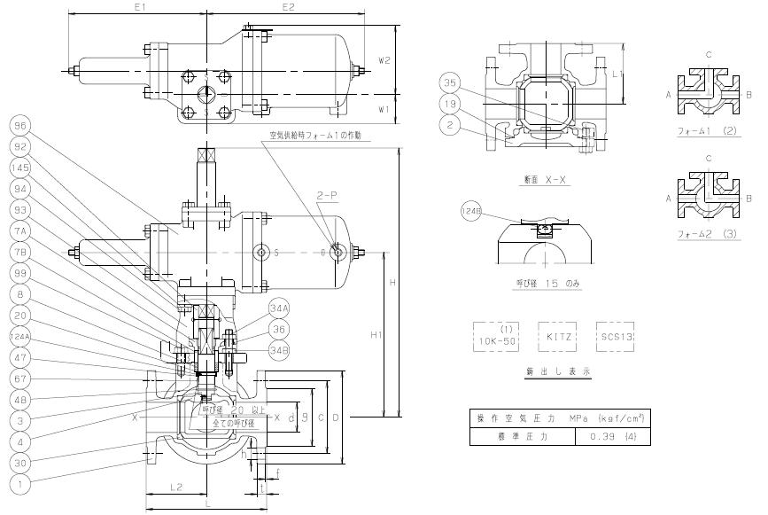
KITZ气动球阀-B-10UTB4LAM气动三通不锈钢球阀结构图:

B-10UTB4LAM气动不锈钢球阀结构图

B-10UTB4LAM气动球阀外形尺寸及重量:

B-10UTB4LAM气动三通不锈钢球阀外形尺寸

 

查看更多 >>

产品推荐

4008-550-700