NONO BS-10UTB4TAM气动不锈钢三通球阀(T型球)_kitz气动球阀_易觅尔の进口日本北泽KITZ开滋阀门
您好,欢迎进入易觅尔-日本KITZ北泽阀门网站!

全国咨询热线

4008-550-700

BS-10UTB4TAM气动不锈钢三通球阀(T型球)

BS-10UTB4TAM气动三通不锈钢球阀(单作用)型号:BS-10UTB4TAM使用压力:JIS10K适用介质:水·油·气W.O.G产品备注:日本KITZ北泽阀门连接方式:法兰 JIS10KBS-10UTB4TAM气动三通球阀(T型球)材质:阀体:SCS14A阀杆:SCS14A球心:SCS14A阀座:PTFE执行器:BS(单作用)铸铁材质BS-10UTB4TAM气动三通不锈钢球阀...
联系电话:4008-550-700

产品详情

BS-10UTB4TAM气动三通不锈钢球阀(单作用)

型号:BS-10UTB4TAM

使用压力:JIS10K

适用介质:水·油·气W.O.G
产品备注:日本KITZ北泽阀门
连接方式:法兰 JIS10K

BS-10UTB4TAM气动三通球阀(T型球)材质:

阀体:SCS14A

阀杆:SCS14A

球心:SCS14A

阀座:PTFE

执行器:BS(单作用)铸铁材质

BS-10UTB4TAM气动三通不锈钢球阀图片:

BS-10UTB4TAM气动三通球阀

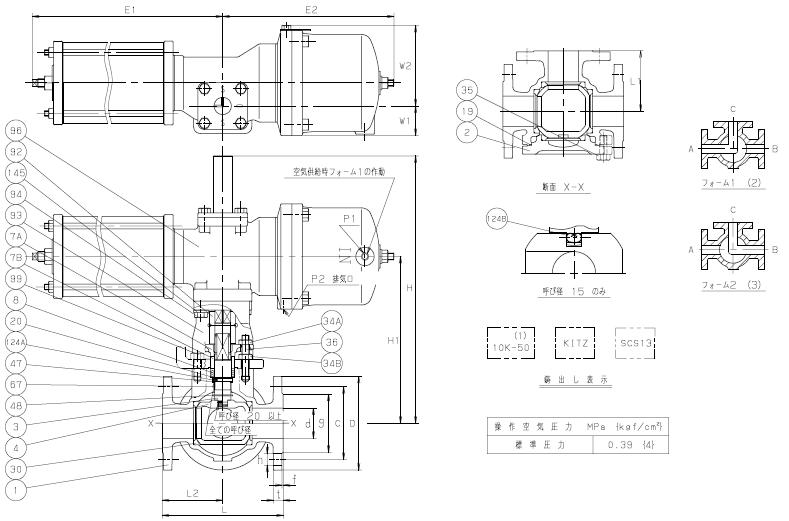
KITZ气动球阀-BS-10UTB4TAM气动三通不锈钢球阀结构图:

BS-10UTB4TAM不锈钢气动球阀结构图

BS-10UTB4TAM气动球阀外形尺寸及重量:

 BS-10UTB4TAM气动三通球阀外形尺寸

 

查看更多 >>

产品推荐

4008-550-700