您好,欢迎进入易觅尔-日本KITZ北泽阀门网站!

全国咨询热线

4008-550-700

EXH200-10FCTB电动球阀

产品名称:EXH200-10FCTB电动铸铁法兰球阀产品型号:EXH200-10FCTB使用温度:180℃使用压力:JIS10K适用介质:水·油·气W.O.G销售单位:KITZ北泽阀门名称:北泽KITZ电动铸铁法兰球阀连接方式:日标KITZ日标法兰JIS10KEXH200-10FCTB电动球阀执行器EXH(AC200V)日本北泽KITZ电动球阀EXH200-10FCTB阀体材质:阀...
联系电话:4008-550-700

产品详情

产品名称:EXH200-10FCTB电动铸铁法兰球阀

产品型号:EXH200-10FCTB

使用温度:180
使用压力:JIS10K

适用介质:水·油·气W.O.G
销售单位:KITZ北泽阀门

名称:北泽KITZ电动铸铁法兰球阀

连接方式:日标KITZ日标法兰JIS10K

EXH200-10FCTB电动球阀执行器EXHAC200V

日本北泽KITZ电动球阀EXH200-10FCTB阀体材质:

阀体:铸铁

阀杆:SCS13A

球心:SCS13A

阀座:PTFE

阀体耐压:120均衡水流            1.37MPa

                    120水、油、空气        0.98MPa

                    饱和蒸汽                 0.69MPa

北泽KITZ电动阀门EXH200-10FCTB图片:

EXH200-10FCTB电动球阀

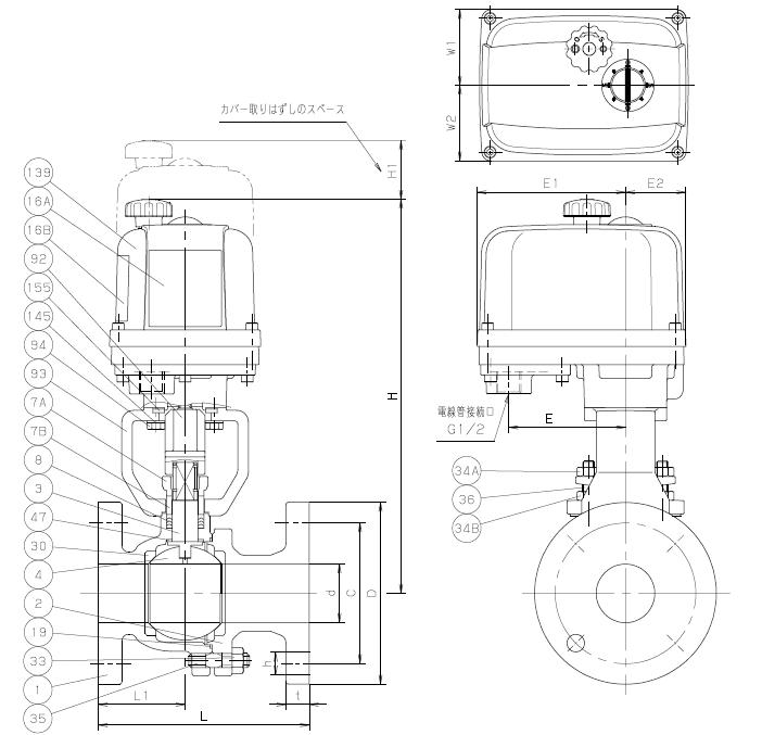
日本KITZ电动球阀EXH200-10FCTB结构图:

EXH200-10FCTB电动球阀外形图

EXH200-10FCTB电动球阀外形尺寸及重量:

EXH200-10FCTB电动球阀外形尺寸及重量

 

查看更多 >>

产品推荐

4008-550-700