您好,欢迎进入易觅尔-日本KITZ北泽阀门网站!

全国咨询热线

4008-550-700

10UTB不锈钢球阀

日本KITZ10UTB不锈钢球阀适用于工业化工楼宇自来水系统,节能环保安装简单免维护。产品名称:10UTB/UTBM KITZ 球心阀产品型号:10UTB/UTBM使用温度:185℃ 使用压力:1.0MPA10UTB不锈钢球阀图片  适用介质:压力变动小的水、油、气体、 产品备注:日本KITZ阀门销售单位:KITZ阀门名称:不锈钢球阀   压力等级:JIS10K KITZ代号:1...
联系电话:4008-550-700

产品详情

日本KITZ10UTB不锈钢球阀适用于工业化工楼宇自来水系统,节能环保安装简单免维护。

产品名称:10UTB/UTBM KITZ 球心阀
产品型号:10UTB/UTBM
使用温度:
185

使用压力:1.0MPA

10UTB不锈钢球阀图片

 

 适用介质:压力变动小的水、油、气体、

 

产品备注:日本KITZ阀门
销售单位:KITZ阀门
名称:
不锈钢球阀

 

 


压力等级:JIS10K
KITZ
代号:10UTB/10UTBM
标准:KITZ JIS10K日标法兰
材质:阀体: SCS13 SCS14
阀盖: SCS13 SCS14
阀杆: SUS304 SUS316
球心: SUS304 SUS316
SCS13 SCS14
阀座: HYPATITE PTFE

 

 

10UTB KITZ球阀 日本北泽

 

 

不锈钢球阀

 

 

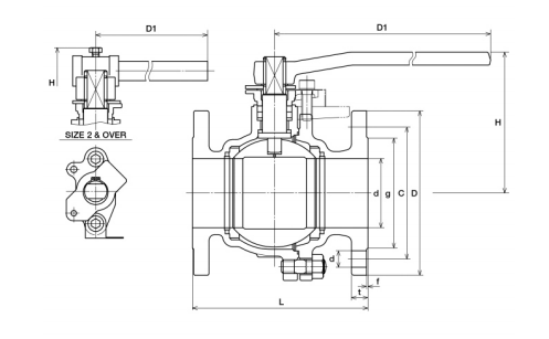
KITZ不锈钢球阀-10UTB尺寸结构图:

 

 

查看更多 >>

产品推荐

4008-550-700